This website requires JavaScript.
Explore
Help
Sign In
my-asu-archive
/
tcp-petri-net
Watch
1
Star
0
Fork
0
You've already forked tcp-petri-net
mirror of
https://github.com/20kaushik02/tcp-petri-net.git
synced
2025-12-06 06:14:07 +00:00
Code
Issues
Packages
Projects
Releases
Wiki
Activity
tcp-petri-net
/
rkn
/
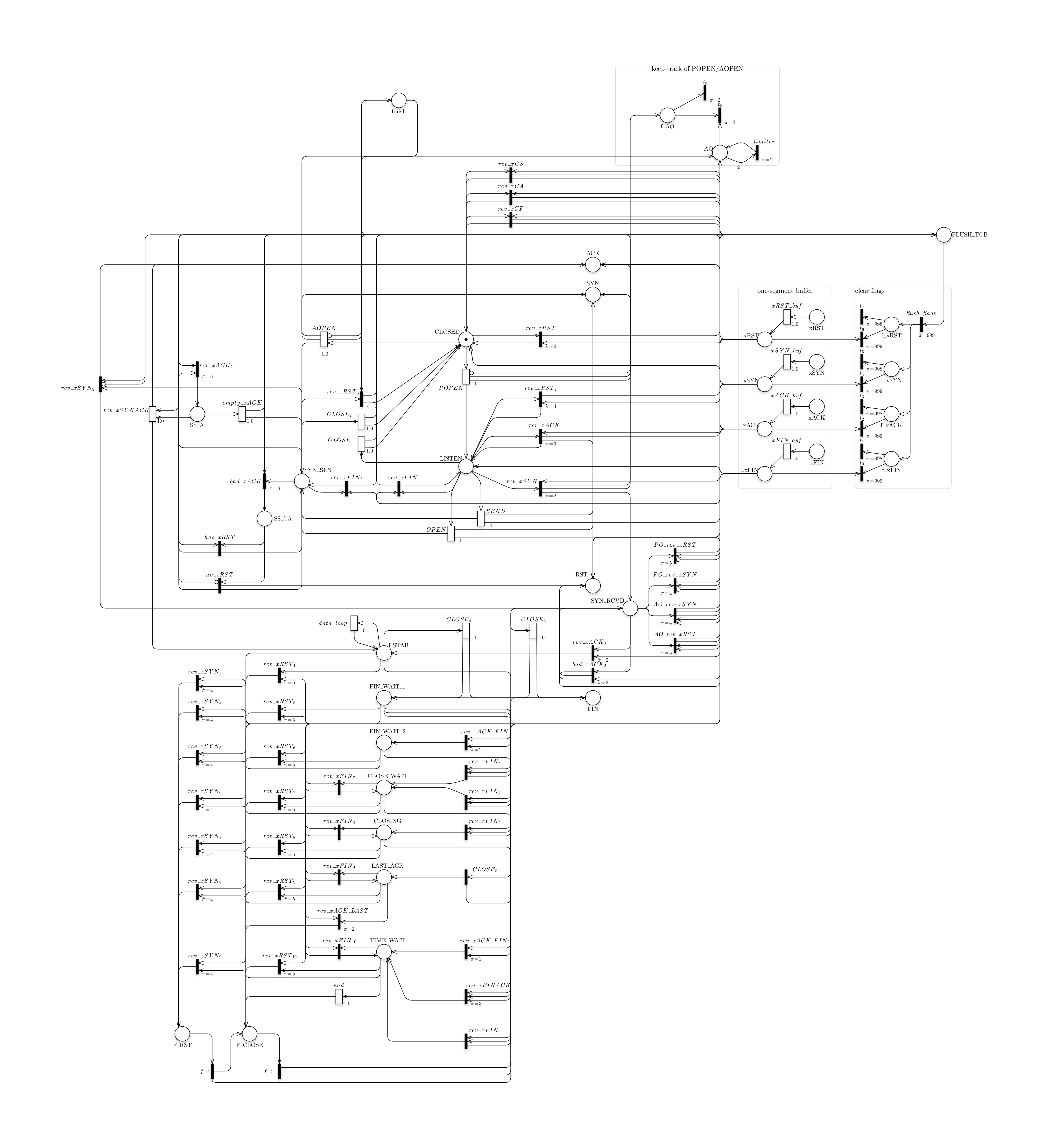
CONN.png
Kaushik Narayan R
4700013106
added outputs and screenshots
2025-05-30 06:48:53 -07:00
715 KiB
4047x4427px
Raw
History